{"product":{"productId":"agid.2366","price":90.57,"name":"Elementi di supporto in acciaio"},"currency":"EUR"}
Materiale
Acciaio da bonifica.
Versione
Corpo base brunito.
Puntale trattato termicamente e brunito.
Puntale trattato termicamente e brunito.
Mostra di più
Mostra di meno
Descrizione
Materiale
Acciaio da bonifica.
Versione
Corpo base brunito.
Puntale trattato termicamente e brunito.
Puntale trattato termicamente e brunito.
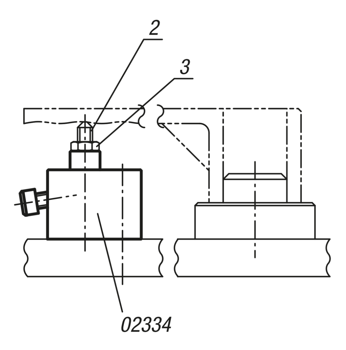
Nota disegno
M = Vite di pressione a sfera
N = Foro passante per vite a testa cilindrica con esagono incassato DIN 912
1) Spina antitorsione
2) Appoggio per vite
3) Dado esagonale
N = Foro passante per vite a testa cilindrica con esagono incassato DIN 912
1) Spina antitorsione
2) Appoggio per vite
3) Dado esagonale
Nota importante sul download dei modelli CAD
Per poter scaricare i nostri modelli CAD, occorre effettuare il login. Se non è stato ancora creato un account, si prega di registrarsi alla voce "Il mio account" (lato destro dello schermo) e di seguire le istruzioni.