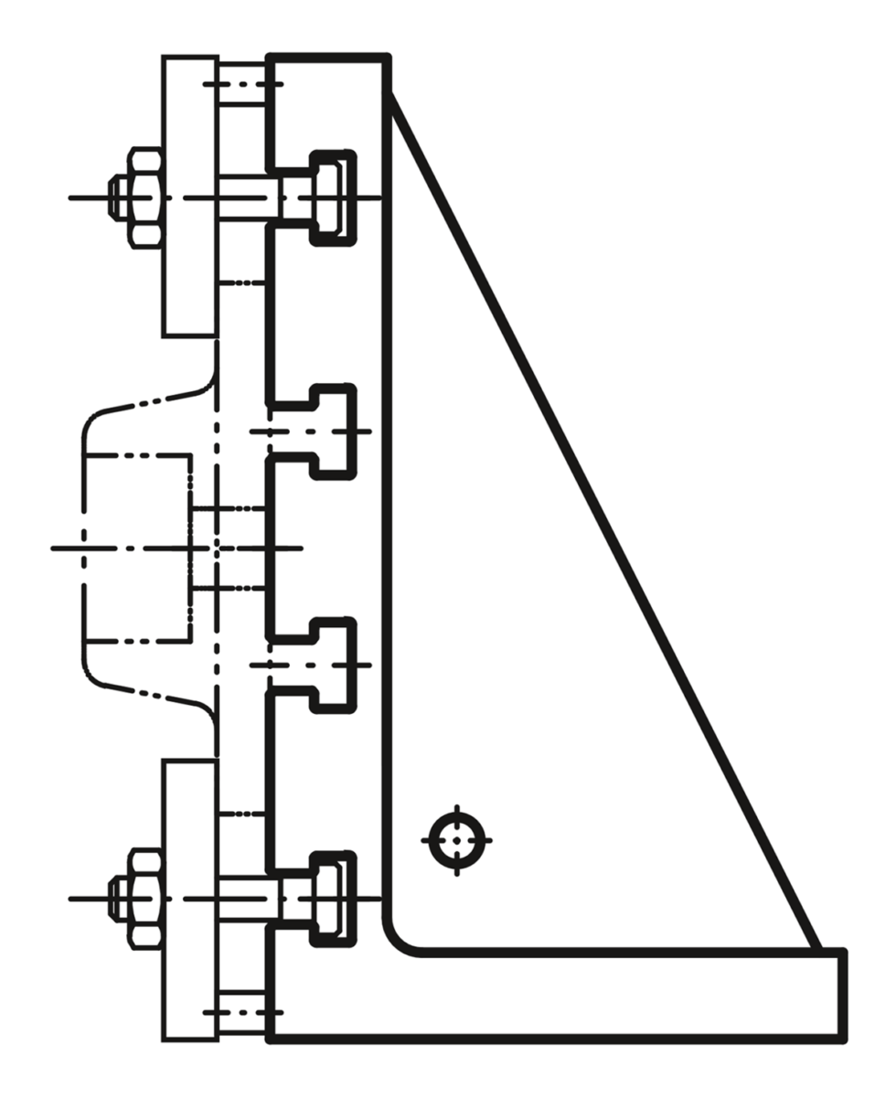
{"product":{"productId":"agid.2160","price":2153.95,"name":"Squadra di fissaggio con cave a T, ghisa"},"currency":"EUR"}
- Elemento base per la costruzione del sistema
- Superfici di serraggio e di riferimento con finitura di precisione
- GJL 250 ricotto a bassa sollecitazione
Descrizione
Materiale
GJL 250 ricotto.
Su richiesta
Altre larghezze di cava.
Nota importante sul download dei modelli CAD
Per poter scaricare i nostri modelli CAD, occorre effettuare il login. Se non è stato ancora creato un account, si prega di registrarsi alla voce "Il mio account" (lato destro dello schermo) e di seguire le istruzioni.